CI-V interface je veľmi dobrá vec. Slúži na prepojenie transcievra s počítačom. Aj moja IC-706tka má toto rozhranie, konektor Jack 3,5mm mono a je umiestnený na zadnom paneli.
Cez CI-V vie komunikovať každý lepší denník, tiež sú jednoúčelové programy určené na ovládanie TRX. V linuxe je treba mať nainštalovanú knižnicu „hamlib“.
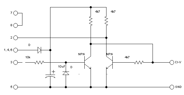
Veľmi pekné zapojenie pre transcievre Icom som našiel na stránkach OM0A.
Schéma je na obrázku:
Zariadenie je veľmi jednoduché, a pracuje bez problémov na prvé zapojenie. Dosku plošného spoja som mal navrhnutú behom chviľky…
Celé zariadenie som zavrel do krabičky od šperkov, vytlačil a nalepil nálepku s popisom ktorá je na stiahnutie tu.



